When Pacific Biosciences set out to launch a next-generation DNA sequencing instrument, they needed a design system that could bridge two worlds — the physical instrument interface (IUI) and the cloud-based analysis platform (SMRT Link). My role was to create a unified experience that made complex genomic workflows feel intuitive, connected, and scientifically empowering.
https://www.pacb.com/revio/To design for real-world scientists, I began by leading qualitative research with users across a wide range of expertise — from graduate researchers to high-throughput lab operators and DNA sequencing leads. Through interviews and contextual inquiry, we identified three core user types:
Regardless of experience, all users shared a common need: technology that worked seamlessly across touchpoints and reduced the friction between physical setup and digital analysis.

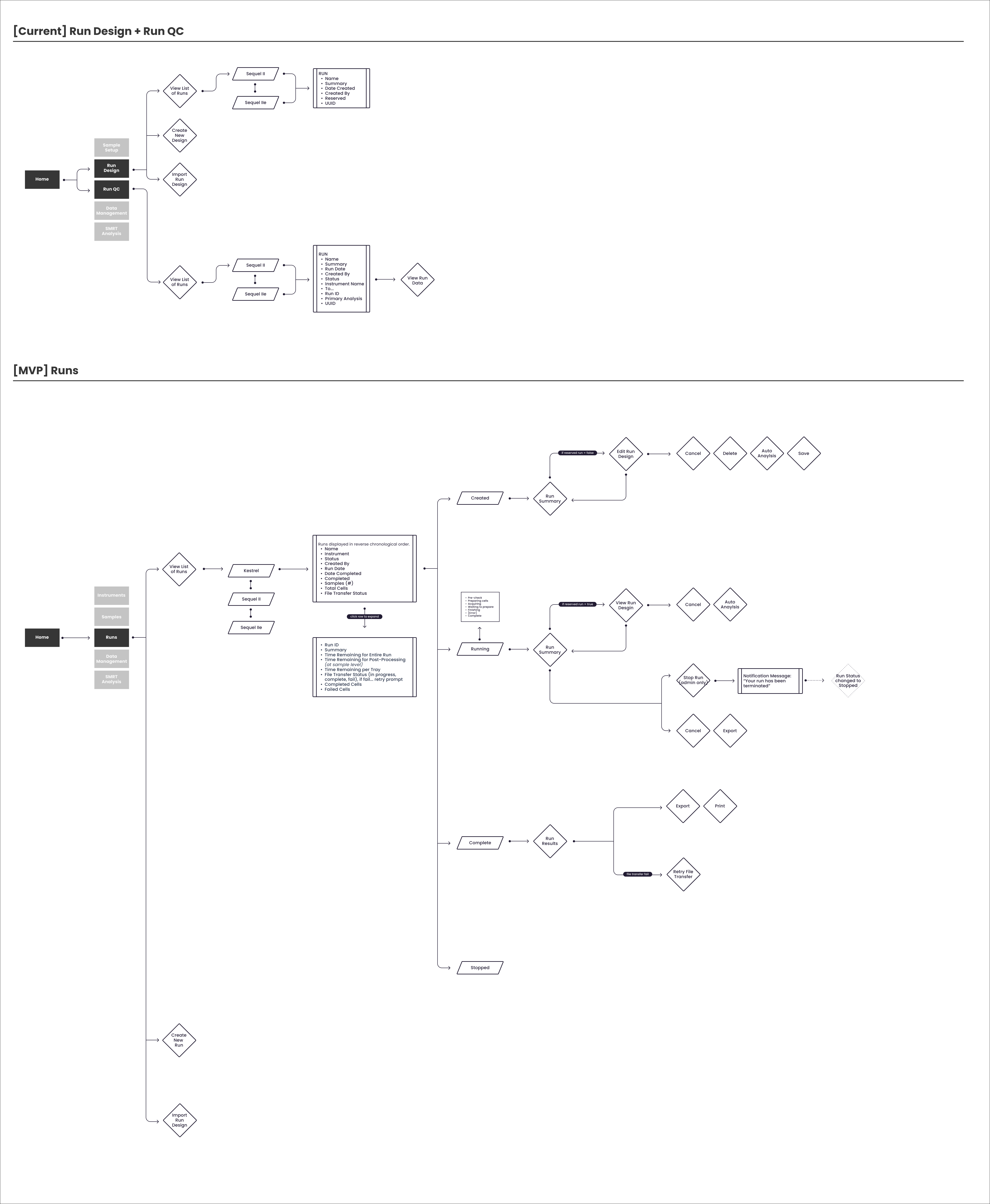
The research surfaced a crucial insight: users experience the sequencing process as one continuous journey — not as separate interfaces or tools. Yet previously, the instrument UI and SMRT Link software operated in silos. This gap created unnecessary complexity, forcing users to mentally stitch together the process themselves.
We reframed the design challenge as one of ecosystem cohesion:
“Design a unified interaction model where the instrument and software feel like parts of the same conversation.”
I led the design strategy to connect these experiences through shared language, consistent visual patterns, and synchronized data flows. Key focus areas included:



Mapping the end-to-end user flow allowed us to stress-test the architecture against real-world lab scenarios. By eliminating friction points in the legacy experience, the proposed solution significantly reduces cognitive load—transforming a complex setup into a more intuitive, high-velocity path to results.

The new design framework bridged the gap between the instrument and software experiences, giving users a sense of continuity and trust. Scientists no longer switched context — they simply continued their work. The result was a cohesive product ecosystem that shortened setup time, improved error detection, and elevated PacBio’s brand as a leader in human-centered genomics technology.


